\
PRODUCT
NEWS CENTER
About
About
NEWS CENTER
PRODUCT
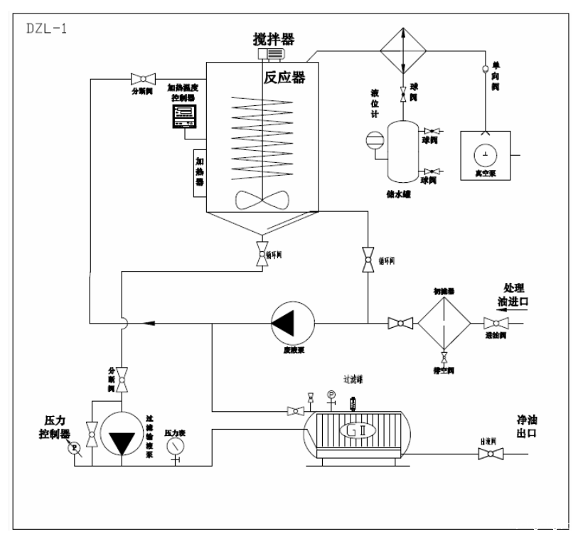
真空滤油机的工作原理:真空滤油机又称为真空高效滤油机、滤油机、真空净油机,是一种用途广泛的高效除杂除水设备。主要运用于电厂、电站、电力、冶金、石化、机械、交通、铁路等行业。
真空滤油机构造繁琐,必须经过几十个流程才可以获得洁净的成品油。真空滤油机是根据水和油沸点不同的原理而设计的,它由真空加热罐、精滤器、冷凝器、初滤器、水箱、真空泵、排油泵以及电气柜组成的。真空泵将真空罐内的空气抽出形成真空,在大气压强的作用下,经过入口管道进入初滤器,清除较大的颗粒,然后进入加热罐内,经过加热后,40~75℃的油通过自动油漂阀。经过加热后的油液通过喷翼快速旋转将油分离成半雾状,油中的水分迅速蒸发成水蒸气并连续被真空泵吸入冷凝器内,进入冷凝器的水蒸气经冷却后再还原成水放出。
在真空加热罐内的油液,被排油泵排入精滤器通过滤纸或滤芯将微粒杂质过滤出。从而完成真空滤油机除去油中杂质、水分、气体的全过程,从而得到洁净的成品油。
